在工业自动化持续向高精度、高频率及长周期运行方向深度演进的进程中,气动系统的可靠性正成为制约整体效能的关键节点之一。但传统塑料气动针受限于材料疲劳、密封性能衰减、流体阻力过高及耐腐蚀性能等“先天缺陷”,已难以匹配现代设备的严苛需求。
针对这一行业痛点,WAIN正式发布全新一代金属气动针解决方案。该产品以高强度金属材料为核心载体,通过结构拓扑优化设计、先进表面处理技术与精密制造工艺的深度融合,系统性解决了气动连接领域长期存在的"稳定性不足"与"高频动态响应滞后"两大技术难题,为工业设备提供可量化、可验证的性能保障。

技术参数
快速接外管∅3/4/6mm
(图示以∅6mm为例)

接内管∅3/4/6mm
(图示以∅6mm为例)

■ 材料: 铜合金
■ 颜色: 镀镍
■ 气管外径(内径):3.0/4.0/6.0mm(3.0/4.0/6.0mm)
■ 工作压力: 最大 15 bar/217.5 psi
■ 密封圈材料:NBR
■ 可插拔次数: ≥10000
注:母端可选配无锁止状态(即取消钢球,弹簧和垫片)。

新一代金属气动针不仅具备公母插合操作力小的特性,还具有出色的耐用性,其拔插次数达到了10000次。
依托WAIN连接器的模块化设计,气动元件可以很容易地连接到整个工业系统。可满足工业自动化、机器人、金属加工、物流、轨道交通、汽车焊装/总装线场景、食品加工、医药机械设备以及能源装备(如氢燃料电池)等多元行业场景需求。
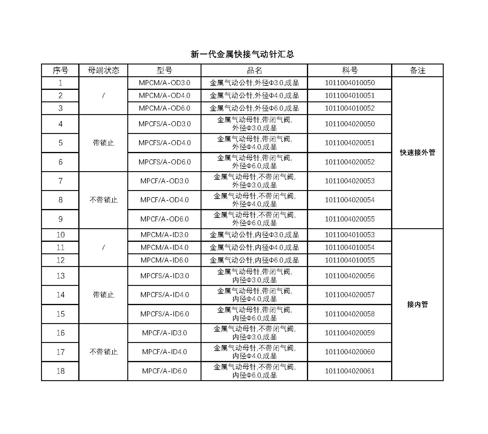
产品型号汇总

·END·
WAIN 不仅仅是制造,我们还创造!
任何与工业连接相关的问题,需求,想法
都欢迎扫描下方二维码与我们探讨。
